上海辛丞--通风专业图例符号大全
2020/10/10 10:01:00 点击:
风管代号:
通风空调工程中的风管一般都是用双线条按比例绘制。通风空调系统中使用的风管至少有六种,在施工图中一般也都是用代号来区别不同类别的风管,并且直接写在风管上。
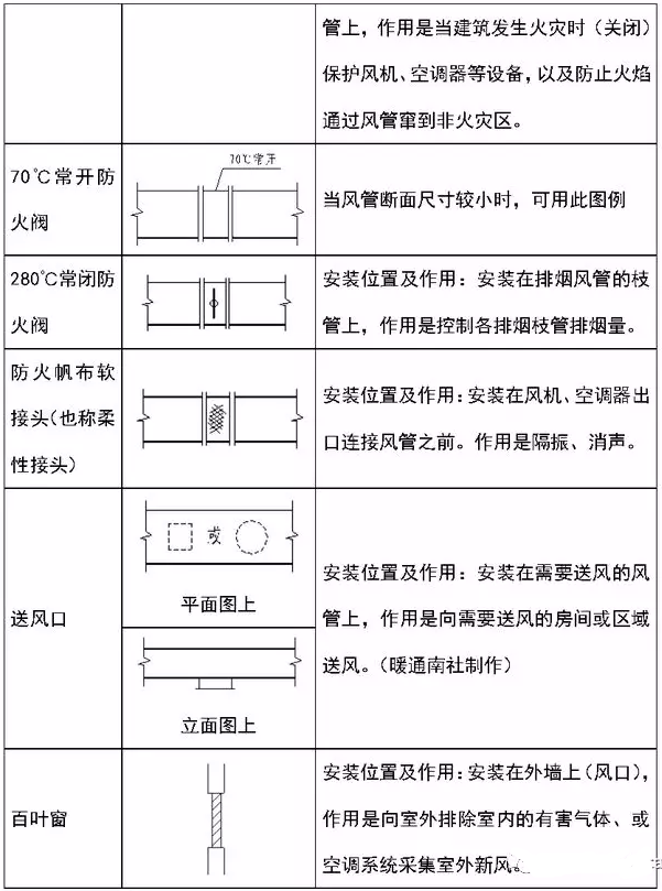
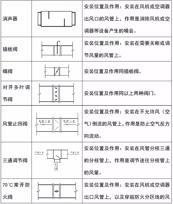
风管阀门、附件的图例及作用:
通风空调系统中使用的阀门及附件也都是用不同的图例表示在施工图上,看图时一定要注意区分他们。工程中最常用的有:
风管断面尺寸的表示方法和在施工图上的标注方法:
通风空调工程中使用的风管有矩形和圆形两种,无论是圆形风管还是矩形风管都采用双线条按比例绘制(也有用粗的单线条绘制的)。
a、矩形风管断面尺寸的表示方法:
总的原则是,可见面尺寸×不可见尺寸。
具体方法是:
b、圆形风管断面尺寸的表示方法:
直接用圆形风管直径表示,即 D后面写直径数字;
c、风管断面尺寸在施工图上的标注方法
风管断面尺寸在施工图上的标注方法参见以下图示:
圆形风管断面尺寸的标注方法见下图:
2)、风管的安装标高的标注方法
a、风管标高的标注位置:
标注在水平风管的拐弯处或水平风管的末端处。
b、标注方法参见下图所示:
建筑通风图例:
通风专业图例:
转自互联网,如有侵权请联系删除。
- 上一篇:没有啦
- 下一篇:防火阀作用说明 2019/1/4
