上海辛丞--空调通风设备安装示意图合集
01 通风空调设备减震器选择与安装
02 冷水机组安装
03 水泵安装
04 板式换热器安装
05 落地式空调、新风机组安装
与空调机组连接的风管、水管应采用柔性连接,柔性接头的材质应符合设计要求,所有管线应进行单独支撑,保证空调机组处于自由状态。进出风管均设消音器或消音弯头,风管与机组连接的柔性接头。
06 吊装式风机安装
与风机连接的风管应采用柔性连接,柔性接头的材质应为符合设计要求。消防防排烟及正压送风系统的风机柔性接头材料还应满足消防防火要求。与风机盘管连接的水管应为紫铜管或不不锈钢金属软管。与风机相连的风管应进行单独支撑,保证风机机组处于自由状态。
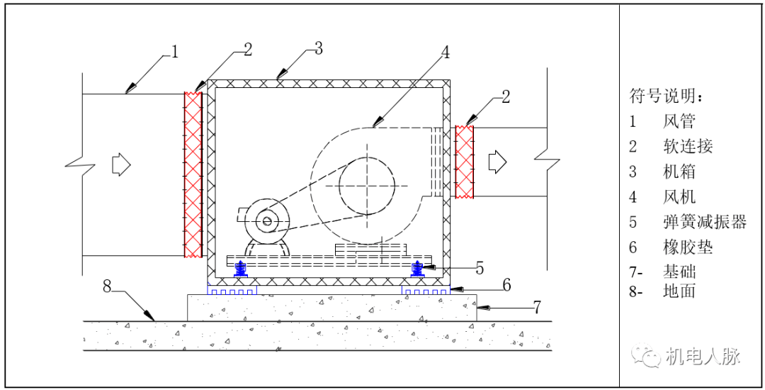
07 落地风机安装
箱式风机连接的风管应采用柔性连接,柔性接头的材质应为不燃材料制成。消防防排烟及正压送风系统的风机柔性接头材料还应满足消防防火要求。与风机相连的风管应进行单独支撑,保证风机机组处于自由状态。
08 风机盘管吊装安装
吊装支架安装牢固,位置正确,吊杆不应自由摆动,吊杆与风机盘管相联应用双螺母紧固找平找正。
风机盘管与吊杆之间采用橡胶板进行隔开,降低降噪减少震动。
风机盘管与进出风管之间均按设计要求设软接头,以防震动产生噪音。
冷热水管与风机盘管连接应平直,凝结水管采用软性连接,并用喉箍紧固严禁渗漏,坡度应正确,凝结水应畅通地流到指定位置,水盘无积水现象。
09 VAV-BOX箱安装
入口直管段必须为镀锌风管(不能用软风管);接口必须密封不漏气;软接风管只能置于直管段上游,不能放在直管段与 VAV 入口之间,更不能直接使用软风管代替直管段。
软接风管由于处在直管段上游,因此必须从材质上考虑承压问题,当下游VAV阀处在较小开度时,软接风管处的风压可能相当高,必须慎重考虑软接风管的材质强度以及连接口的密封性,否则可能导致软风管或接口的破裂。
当采用软接风管时,其前后的硬风管必须对齐、同心,必要时软风管的前和后的硬管需在接口前、后增加吊架(托架)以对正位置,避免出现软接风管上下、左右的错位、瘪塌等不良状况(见下图所示),否则将严重增加风道阻力。
外保温时必须注意软连接气管的保护:保温层绝不能压扁软连接气管;保温施工时也应重点注意操作,工人拿着刀子在割保温层时,必须十分小心,确保刀子不要划到软连接气管。否则,VAV 机组的风量检测功能将完全受损。
VAV箱分风箱出口连接的软件,尽量对称,以满足VAV区域控制风量的均匀。
软管保证避免盘旋压扁,以免导致管道阻力大大增大。
软管长度不宜超过1.5m,如实在需要较长的出风软管,请在出口处增加一节镀锌钢管然后再驳上软管。
软管与VAV的分风出口以及散流器(静压箱)入口必须连接紧密,避免漏风。
禁止使用流量传感器、连接管、一次风进风管(圆管)、控制电气箱或风阀轴作为手柄抬升或移动设备,禁止外力压迫测量软管,以免损坏VAV-BOX及影响控制精度。
机组与周边建筑物之间应保持适当的距离预留出(450mm×450mm)的检修空间,检修口到VAV-BOX有合适的操作空间。
VAV-BOX安装前必须将AHU开启对风管进行吹污;VAV-BOX在安装过程中不能作为临时供暖和通风使用。因风速传感器会被灰尘覆盖,造成它的测量不准确和严重地缩短装置的寿命。
VAV-BOX的引入管应直接从主风管上引入,尽量避免从支管引入,以免产生风量不足。
10 消声器安装
11 末端风口安装
风口安装时,确保风口处于板中,所有风口横平竖直,处于一条直线,且确保风口与吊顶板结合紧密。
风口的转动、调节部分应灵活、可靠,定位后无松动现象。风口与风管连接应严密、牢固。
风口水平度3‰,垂直度2‰。风口应转动灵活,不得有明显划痕与板面接触严密。
排烟口在吊顶安装时,排烟管道安装底标高距吊顶面的尺寸应大于250mm以上;排烟口操作装置的电气接线及控制缆绳采用DN20套管,控制缆绳套管的弯曲半径不小于250mm,弯曲数量一般不多于3处,缆绳长度一般不大于6m。
12 强制性条文
通风机传动装置的外漏部位以及直通大气的进、出口,必须装设防护罩(网)或采取其他安全设施。(详见《通风与空调工程施工质量验收规范》GB50243 第7.2.2 条)
静电式空气净化装置的金属外壳必须与PE线可靠连接。(详见《通风与空调工程施工质量验收规范》GB50243 第7.2.10条)
电加热器的安装必须符合下列规定:电加热器与钢构架间的绝热层必须采用不燃材料,外漏的接线柱应加设安全防护罩;电加热器的外漏可导电部分必须与PE线可靠连接;连接电加热器的风管的法兰垫片,应采用耐热不燃材料。(详见《通风与空调工程施工质量验收规范》GB50243 第7.2.11条)
燃油管道系统必须设置可靠的防静电接地装置。(详见《通风与空调工程施工质量验收规范》GB50243 第8.2.4条)
燃气管道的安装必须符合下列规定:燃气系统管道与机组的连接不得使用非金属软管;当燃气供气管道压力大于5kPa时,焊缝无损检测应按设计要求执行;当设计无规定时,应对全部焊缝进行无损检测并合格;燃气管道吹扫和压力试验的介质应采用空气或氮气,严禁用水。(详见《通风与空调工程施工质量验收规范》GB50243 第8.2.5条)
13水泵进出水口软接头安装
热水管道采用金属软接头,冷水管道采用橡胶软接头
软接头安装时,必须保证螺栓头朝向软接头两片法兰内,螺杆方向朝向法兰外侧,防止螺杆将软接头划破。
橡胶软接头建议采用双球加筋型式,防止软接头破裂。
14 制冷机房顺水三通安装
顺水三通相比普通三通具有水流阻力小,减小水流扰动等优点,因此制冷机房管道采用顺水三通有利于降低噪声,减小泵组运行负荷。
放样:顺水三通采用成品管道弯头切割而成,根据现场实际情况及水流方向进行划线。一般偏移半个管径。
切割:根据放线进行切割,管道开口准确。
焊接:管厚超过4mm管道及弯头要提前打磨坡口,焊接采用对口焊接。
15 水泵限位器的安装
1. 水泵限位器用于限制水泵横向移动.
2. 限位器在水泵浮台的每侧安装一个。
3. 限位器的长度和高度相同为a,a 的长度为设备基础距离浮台3/4 处的高度;限位器的宽度b为15cm;肋片距离边缘让出3cm的距离。
4. 限位器钢板厚度为10mm,橡胶垫厚度为15mm。
16 设备安装细节做法
1. 设备基础外露紧固件防锈做法
设备基础外露紧固件采用PVC管道将紧固件套住,上面用黄油或者橡胶盖封堵。
2.设备机房有组织排水
1)排水沟应进行深化设计,重点考虑设备的排水位置,排水沟延伸至设备的排水点,避免出现排水点接管至排水沟的情况出现。
2)水泵、水处理装置等易漏水的设备,应在设备四周设置宽度为10cm深度为5cm的小型排水沟。
3)排水沟宽度不应小于300mm深度不应小于200mm,在排水沟顶部设置篦子。
3. 空调机组冷凝水管安装
1)存水弯总高度 H=2*机组负压对应的水柱高度+冷凝水管直径,单位 mm;冷凝水管高差 A=1.5*机组负压对应的水柱高度,单位 mm;水封高度 B=0.5*机组负压对应的水柱高度,单位 mm;机组负压对应的水柱高度=机组负压*0.1024,单位 mm;当无法确定机组静压时,可按 A>102mm,B>70mm的经验值来安装。
2)基础到建筑完成面的高度 h 需考虑存水弯总高度安装空间
3)冷凝水管需采用镀锌钢管或 pvc 管,以防管道锈蚀,。
4)冷凝水管坡度不小于1:100。
5)冷凝水管最低处需设臵排污堵头。
6)冷凝水管需保温,防止凝露。
7)不要将冷凝水管连接到密闭的排水系统。
转自互联网,如有侵权请联系删除
- 上一篇:没有啦
- 下一篇:防火阀作用说明 2019/1/4
